News

Safety First: How HCN's Grass Mowers Prevent In...
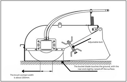
A Grass Mower, also known as a weed cutter, grass cutter, or lawn trimmer, is a mechanical tool designed for trimming lawns and other vegetation. It typically consists of a...
Safety First: How HCN's Grass Mowers Prevent In...
A Grass Mower, also known as a weed cutter, grass cutter, or lawn trimmer, is a mechanical tool designed for trimming lawns and other vegetation. It typically consists of a...

Continuous High Temperatures! Common Reasons fo...
During the hot summer days, the relentless high temperatures not only greatly impact the lives of those working with construction machinery but also complicate the use and maintenance of the...
Continuous High Temperatures! Common Reasons fo...
During the hot summer days, the relentless high temperatures not only greatly impact the lives of those working with construction machinery but also complicate the use and maintenance of the...

Breaking the Ice: Revolutionizing Winter Road S...
In winter, the combination of snowfall and freezing rain causes many roads to ice over. The biggest hazard posed by icy roads is the increased braking distance, or in some...
Breaking the Ice: Revolutionizing Winter Road S...
In winter, the combination of snowfall and freezing rain causes many roads to ice over. The biggest hazard posed by icy roads is the increased braking distance, or in some...

Meet Your Go-To Boom Mower: The Essential Tool ...
Do you remember the days before the Boom Mower? How were road slopes, riverbanks, and urban and garden green spaces maintained? A large vehicle would lead the way, followed by...
Meet Your Go-To Boom Mower: The Essential Tool ...
Do you remember the days before the Boom Mower? How were road slopes, riverbanks, and urban and garden green spaces maintained? A large vehicle would lead the way, followed by...

Effortless Concrete Mixing for Tight Spaces: Th...
Concrete is an engineering composite material where binder materials consolidate aggregates into a cohesive whole. Typically, when we refer to concrete, we mean cement-based concrete, where cement acts as the...
Effortless Concrete Mixing for Tight Spaces: Th...
Concrete is an engineering composite material where binder materials consolidate aggregates into a cohesive whole. Typically, when we refer to concrete, we mean cement-based concrete, where cement acts as the...

Management of Landscape Equipment
With the development of the landscaping and greening industry, production and maintenance management in landscaping have gradually transitioned from solely manual operations to semi-mechanized, mechanized, and automated practices. Modern landscaping...
Management of Landscape Equipment
With the development of the landscaping and greening industry, production and maintenance management in landscaping have gradually transitioned from solely manual operations to semi-mechanized, mechanized, and automated practices. Modern landscaping...